山西天泽煤化工集团股份公司炉内脱硫工程检测达验收标准
分类:企业动态
发布时间:2020/11/26 15:20:14
浏览量:
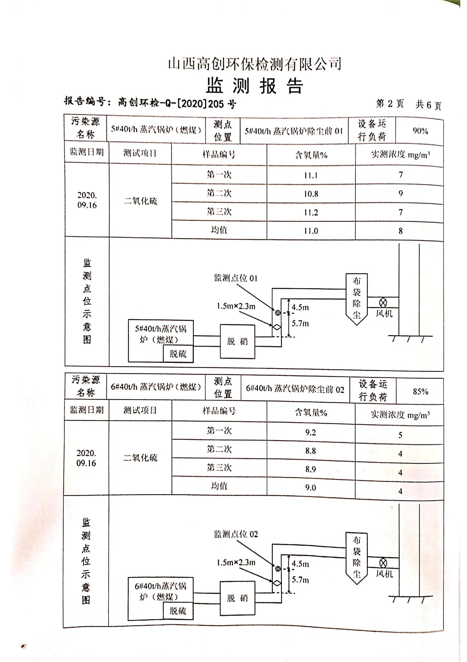
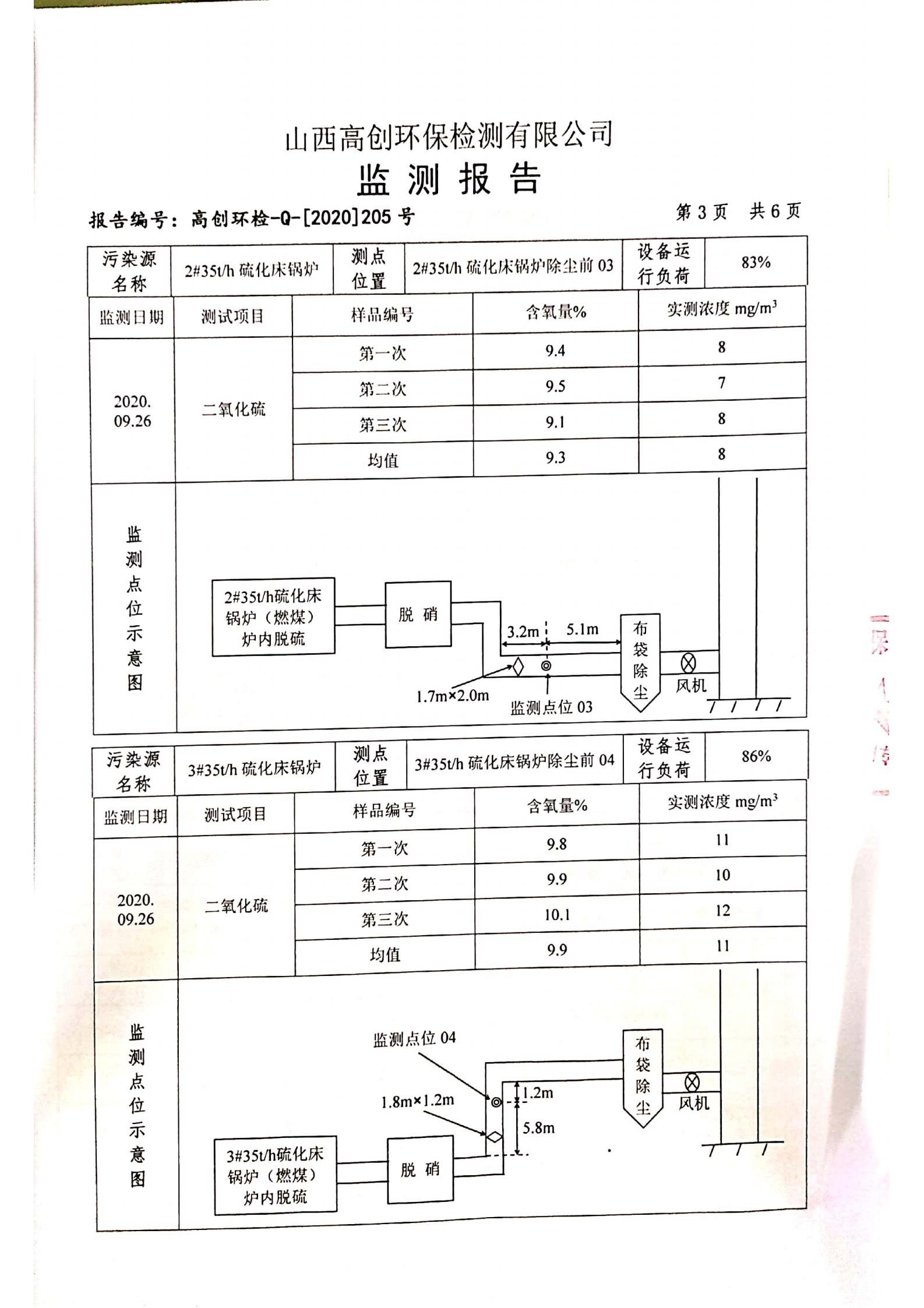
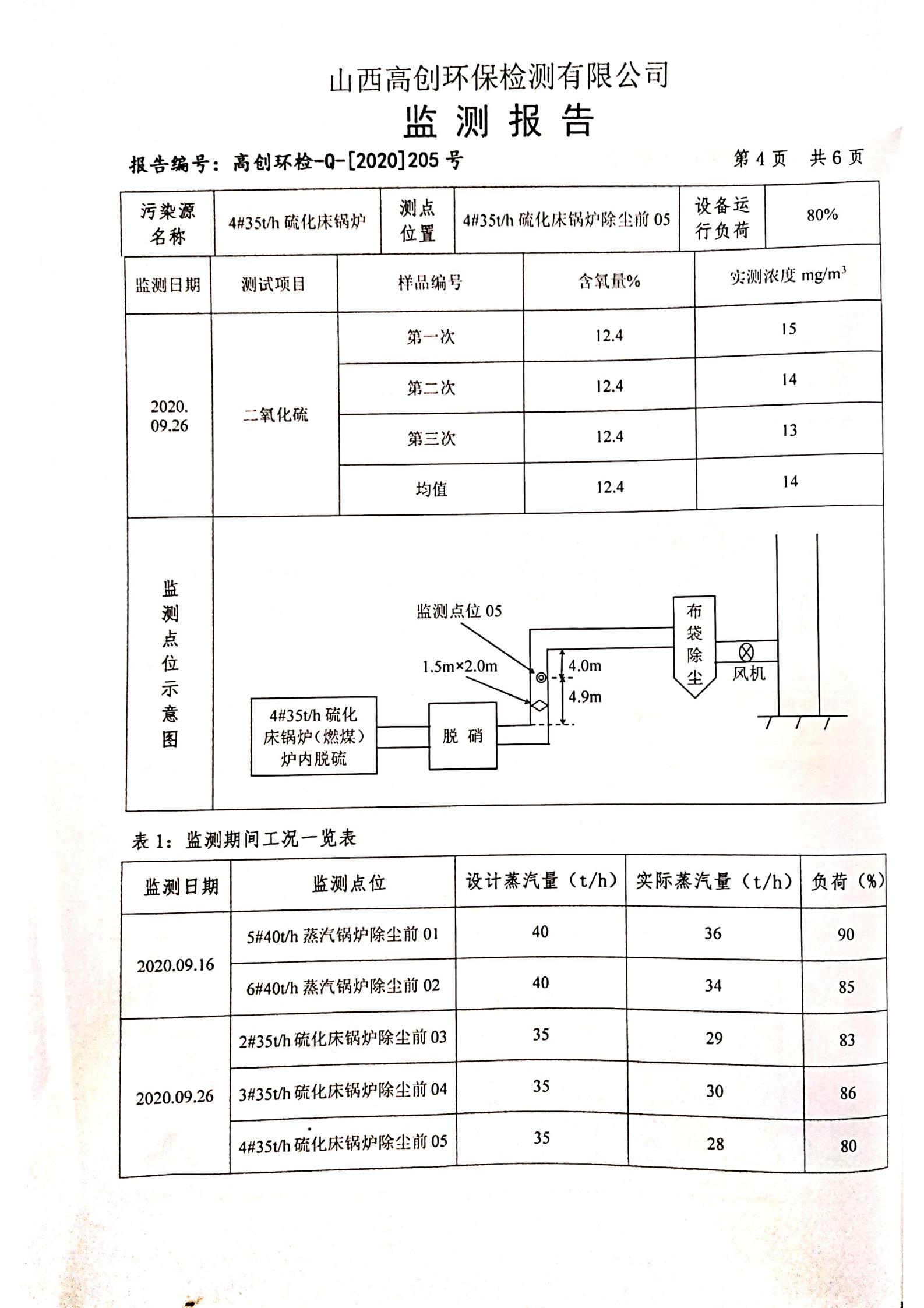
【摘要】:截止至2020年11月26日,我公司承包山西天泽煤化工集团股份公司煤气化厂炉内喷钙脱硫工程、化工厂炉内喷钙脱硫工程已全部完成,已全面投入试运行状态。通过检测报告证明本工程达到验收标准。值得热烈庆祝。
截止至2020年11月26日,我公司承包山西天泽煤化工集团股份公司煤气化厂炉内喷钙脱硫工程、化工厂炉内喷钙脱硫工程已全部完成,已全面投入试运行状态。
通过检测报告证明本工程达到验收标准。值得热烈庆祝。












